I have entered a project for the fun of it to map out the old trollers, improve them and fix them. For the people who cannot afford DCC or have the eyes to wire it into 40 year old + locos, we still use DC. I was enamored with the trollers circa 1979/80 and my first was twin momentum 5 which still runs.
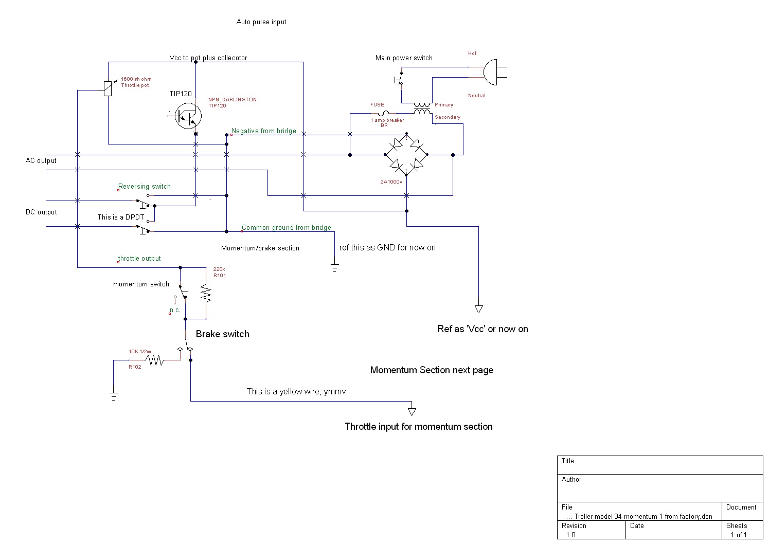
Over the years a number of people pointed out quality problems, like 95% of it was due to pizz poor heat sinking of the main transistor and the 'auto pulse circuit is a simple semi-effective design. Using COTS parts from mouser - 99% I have in stock from my stereo repair biz, I have been able to armor these. As I do classes of them I am also using tiny-Cad to create schematics. you can apply this to MRCs in most cases and if you are feeling froggy, transistorize just about any DC ‘rheostat’ pack.
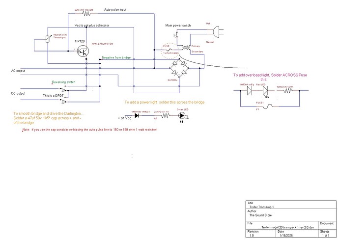
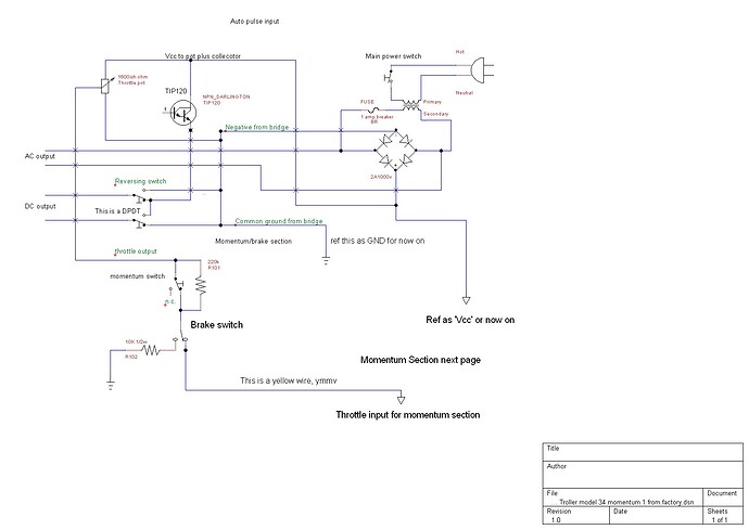
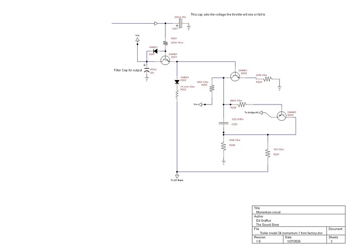
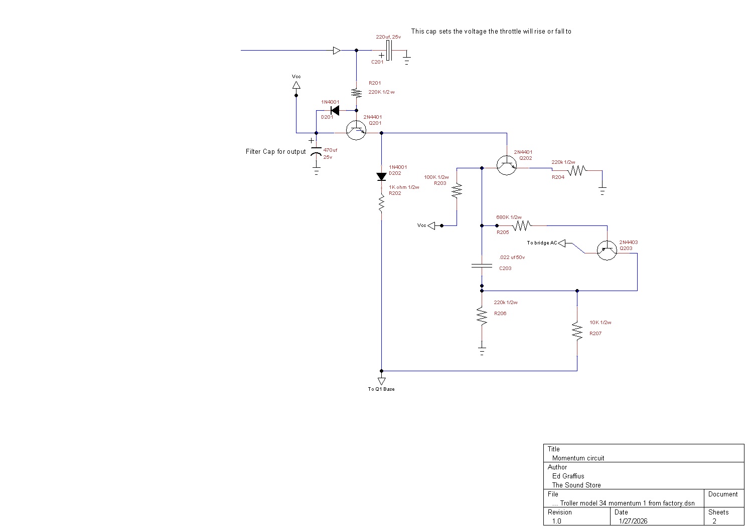
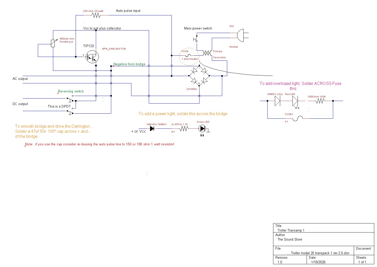
I will attach the schematic for a Transamp 1, which applies to ANY of the transamps even the twins, just ‘times 2’ the guts and go larger on some stuff.
Note, on the older DC locos, even athearns, atlas etc, solder a .1uf 50v or higher MLCC (multi layer ceramic cap) across the motor leads as CLOSE to them as you can get. this gets rid of the ‘sparky spark’ interference they get on bad track or bad pickups which can blow out LED light conversions…
If there is some place this can be stored on the site?







