[?]Does anyone remember the Troller line of power packs that were manufactured in Chicago in the late 70’s and 80’s? Was there something wrong with them that they were only around for a few years? ANY help will be appreciated Thanks! John
I’ve kind of been wondering that myself. I was working in a hobby store when they were on the market, and at the time felt that they were the best available. MRC has since pretty much taken over the basic DC power supply market.
We recently “inherited” two Troller power packs when old trains were donated to our club. One has a single controller, and one is a dual controller pack. The dual controller pack is burned out on one side, and we haven’t had the nerve to try drilling out the rivets so we can gain access to its innards.
One big disadvantage to them is the power connection socket on the back, which seems to require a special size of terminal that is hard to find. None of the readily available crimp terminals fit them.
I remember the astoundingly low prices when Troller went under and their inventory was dumped on the market roughly coinciding with a Trainfest in Milwaukee. I could not believe the prices. I also did not buy. Word on the street was that Troller had some excellent features and clever design but the durability could not approach Model Rectifer Corp. I might add that my first ever MRC “Ampack” that I got with my first Penn Line train set – I think we are talking 1961 or so – is still going strong, powering my test track. It still looks handsome too.
Dave Nelson
The pulse power system Troller used had a tendency to burn out motors in the smaller scales. There was an article in Model Railroader discussing the issues and comparing a number of different power packs. (I want to say it was in the August or September 1980 issue.)
Back in the early-to-mid 1980s when I was working in a hobby shop, we saw enough Trollers come back with blown power transistors that we stopped selling them pretty quickly. In the years that followed, our repair guy got pretty good at replacing the power transistor they used with a beefier component as people brought them in.
I’m not sure whether they were using an under-spec’ed component or one that regularly wasn’t being delivered to them up to spec, or whether the lack of any provision for airflow in the case is what killed off the power transistor in most cases.
I have one that is in everyday usage. Yes, there was a problem with them burning out. Why hasn’t mine? I don’t use the Momentum feature and it just keeps on running. I have used it for 10 or 11 years with no problem so I would ASSume that the problem was with the Momentum.
There are much better products on the market today, so I wouldn’t repair it if and when it did die.
Thanks for everybody’s input. The reason that I asked in the first place is because I have a Troller Twin Transamp 2.5 with momentum and braking - their top of the line model - NEW in the box. I just wish I knew exactly what transistor to replace so I could forestall any problems. By the way they gave you a package of the connectors that plug in the sockets, and I’ve found them elsewhere, as well. Anyway, thanks to everyone for your help. John Stanley [^]
I just recently got back into model railroading.I took my olt Troller transformer into my LHS for repair.The owner told me he had’nt seen one in years,and said that Troller went out of business because they were notorious for setting fires,and strongly suggested that I throw it out. I did exactly that and got a new transformer.
The only thing wrong with the Troller packs, at least for HO, was the very poor (read, “non-existant”) overload protection. If you limit the current output to around 1 amp, they last forever.
I used a dual-filament brake-light bulb, feeding the power through both filaments in parallel. This not only limits the power to 1 amp, it gives you a positive short-circuit indication when the bulb lights.
Actually that arrangement works so well that I add it to all of my throttles.
I have a Troller Autopulse 1 that I have used regularly for 20-25 years with that circuit protection, and it’s still going strong.
Oh, - one more thing: The terminal connectors on the back of the units accept a standard female 1/4" spade connector. Find them at any auto parts store or discount store auto section.
I miss my old Troller packs. I had two of the Autopulse packs, both with the add-on walkaround cabs. For me, they were very reliable for years. My dad’s got one of mine that he uses on his N scale layout, but I lost the other one at some point during one of my many moves during my 20’s…
I had several Trollers- great as long as they worked. The last one’s speed control just up & died suddenly and the train went faster & faster until the 0-5-0 switcher pulled the loco off the track. That was around 1980 or so I think. I never throw anything away, so two old Trollers are serving very well as power supplies on my current DC layout.
The Trollers are great packs, BUT they do not protect themselves. If you do as Gary suggests, you will not have any issues with them. The ONLY improvement the MRC Tech 4 is over a Troller is that the MRC protects itself. It is no better a train control, and some would say the MRC is not as good.
The transistor that fails is the output device. Just about any similar Darlington type will work, preferrably one with a higher current rating, and it should be heat sinked. Read the designation from the transistor in the pack, and cross reference for a similar device. An exact match is not required.
The failure mode is first a short: full DC voltage will be applied to the tracks so the locomotive will go to max speed, then the device opens - the power output will drop to zero.
espeefoamer: that hobby shop owner gave you a load of _______ there is no fire risk, maybe a bit of smoke and stink when the output transistor blows. He just wanted your money.
We lost Troller because they could not afford to repair/replace all of the returns.
Nigel
Thanks again to everyone who has replied. I’m going to follow Gary’s advice, a simple enough fix. I wondered at the time they went out of business if it was partially because of pressure - MRC is a huge corporation who at the time was virtually the only manufacturer of power packs.
I bought a Tech 4 about five years ago (I forget the model no.) that supposedly had a memory and other junk. The only problem was every time you turned the power off to the pack, you had to reset the memory. It was a pain to reset, and when I called MRC about it they said it was my problem, not the power pack. Oddly enough, that model went off the market about a month later, and hasn’t been seen since. I’ve had a problem with MRC since then. As to SPfoamer, sorry you wasted 50 bucks or more by listening to a retailer rather than asking people who have used them - that’s what these forums are for.
Thanks everybody!!
John
I’m starting to get buyers remorse for picking up a Troller last weekend from a train-show. Can you draw out this as a wiring diagram so I can attempt it? (Newby here).
I know this is an old thread, but I have been a troller fan since my first twin momentum 5 on or around christmas 1980 and I never really visited online train forums 'cept when I was showing on the OGR the cost effective way to refurb the old lionel iron.
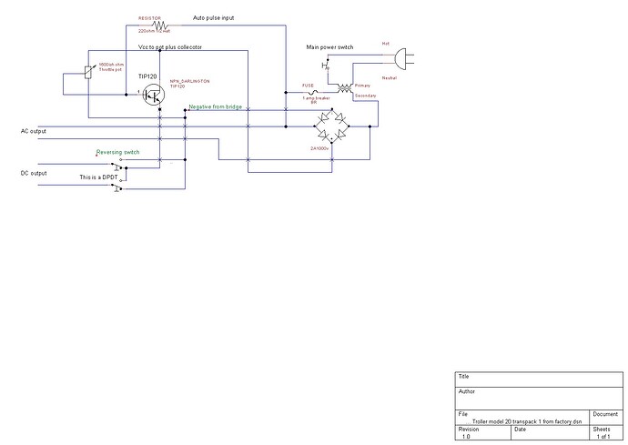
so any rate, I just picked up a momentum 1 to run the tree layout, so I took ole ironsides apart (a transpack 1 - model 20) to delve a schematic, improve it, clean it up and make it work better.
I am about ready to upload the schematic is a .png or .jpg or a tiny cad file.
Here are my findings:
-
the bottom line model - this model 20 uses a TIP120 darlington which has a continuous collector current of 5amps and a Pd (power dissipation ) of 65W, for a unit that sources 1amp of 12ish volts DC, this is more than enough
-
all the parts inside are ‘bare minimum’. While yes it does have a full wave bridge inside, its a 1 amp bridge using what looks to be 4 1N4001 series diodes. These need replaced with 3amp fast recovery diodes, or a monolithic bridge, I just so happened to have 20 2 amp 1000v bridges in stock so this will do.
-
they are protected, per throttle with a glass tube that looks like a light, its a thermal fuse and in this case, rated at 1 amp, they are yes, on the line of slow blow, the fuse is on the AC secondary BEFORE the split for the rectifier and AC accessory output so its 1 amp TOTAL. If yours is defective or aged, look into a 1amp breaker that works on AC. To non-destructively test your breaker, take a 10ohm, 10w cement resistor and short the AC output terminals - it will pull only appx 1.5 amps or less, not harm the DC side and while the cement will get warm, it will do the job to prove she pops.
-
the heat sinking of the Darlington is suspect, in the model 20 it is a nice large piece of aluminum but the Trans is only clipped to it with old thin mica - if in fact its mica, and dried paste, I modernized this and bolted the Trans to the heatsink firmly and got rid of the rivets and bolted the heatsink to the case.
-
the mythical ‘autopulse’ made people think there was some sort of a gizmo in there or computer. Not at all, from the same leg of the transformer to the rectifier a tap was taken of pure AC, passed thru a 220 ohm, 1/2W carbon comp and fed into the base of the darlington and summed with the output of the 1600-ish ohm potentiometer. Think about what this does…because the DC rectifier is full wave and our AC is 60hz, in 1 second on a scope you see 120 humps going from The Vf of the diodes (prolly around .6v) to the max AC it can produce minus Vf, with the overlaid/summed signal you see in the same 60 seconds 60 small additions, and 60 small subtractions. when the pot is at zero, the humps are imperceptible if even there on the base due to the resistance and the signal from the AC injection does not exceed turnon voltage of the darlington (typically 1.2-1.4v). As you get the train moving, at speeds not in scale, the pot output exceeds the injection so it becomes lost. Its…automatic!
-
but this is where the overheating comes from, those humps do go from Vf to whatever meaning they ARE turning off the darlington 120 times a second. this builds heat as it never gets into and stays in saturation. And it acts like HALF of a 120hz AC signal which is after all ‘fake’ DC - heating up the motor in the loco. If you like scale speeds, which is what these transformers were built for, its counter productive.
-
Implications for improvement I am toying with the idea of using a small value capacitor, like under 47uF, but higher than expected voltage - 50v to fill in SOME of the void between the humps, it will charge fast and deplete fast but its not MUCH storage, this should keep the voltage on the darlington once you get continuously moving, to above 1.2-1.4v. This cap will be placed across the high leg and the ground leg of the pot, which means if is cleaning up the voltage seen at the collector, the base will still see a much lower voltage, much lower current signal at the base, along with the pulse injection. I may have to re-bias the pulse injection to a 180 or even 150 ohm resistor, and I might place in series with the rectifier to the collector another 10ohm 10W cement. why? At WOT the throttle has 14 ohms on it. by adding 10 more, it will mean the throttle can NEVER get to 1 amp and it gives a larger operating range, move movement and prevents ludicrous speed, which we do not want. and it should still run multiple lashups if anyone does that.
In conclusion, this is where the ‘troller project’ is now, I will apply each thing found to all my units as well as make available the schematics.
Oh and yeah, I will put in parallel with the breaker a 1amp diode feeding a red LED and a 470-1000ohm resistor and placing this in a holder in the top of the case, if the breaker pops the light glows…
BTW, by this point it is apparent that any of the old rheostat driven units can be converted to transistorized for about 5-7 bux using parts from mouser. some of them had mighty big cases.
I have several Troller packs that I have used off and on for the last 50 years. As JasonSilver posted four years ago, I wish someone would post a diagram (of the dual brake light overload protection). I would also like to see pictures of what is inside a Troller case; which components need to be replaced (or tend to fail), and what modern components (with sources).
ok here is a jpg representation of a schematic from ‘tinycad’ of the transamp series. IF the model number indicates more than 1 amp, just assume some of the parts may be larger.
In THIS instance of you wanted to replace the diodes with larger and not use a bridge, 1N5408G are 3 amp 1000v fast recovery diodes. (from mouser or digikey) Just replace as you would any diode. if you want to use a 4 legged bridge, is the same theory.
The TIP120 used in this is still available today in that part number from mouser made by both STM and Onsemi…the onsem is a wee bit cheaper.
Note on price: I dont wanna really list prices unless I am asked specifically, since I restore vintage electronics (read: stereos) I order parts in the hundreds each time so I get very real bulk discounts. For example the STM TIP120 is 1 buck for one, but 46 cents each if I buy 10…
To mount the transistors properly just google up TO220 or universal transistor mount hardware kits…it will contain micas, sil pads, nylon washers, nuts bolts etc.
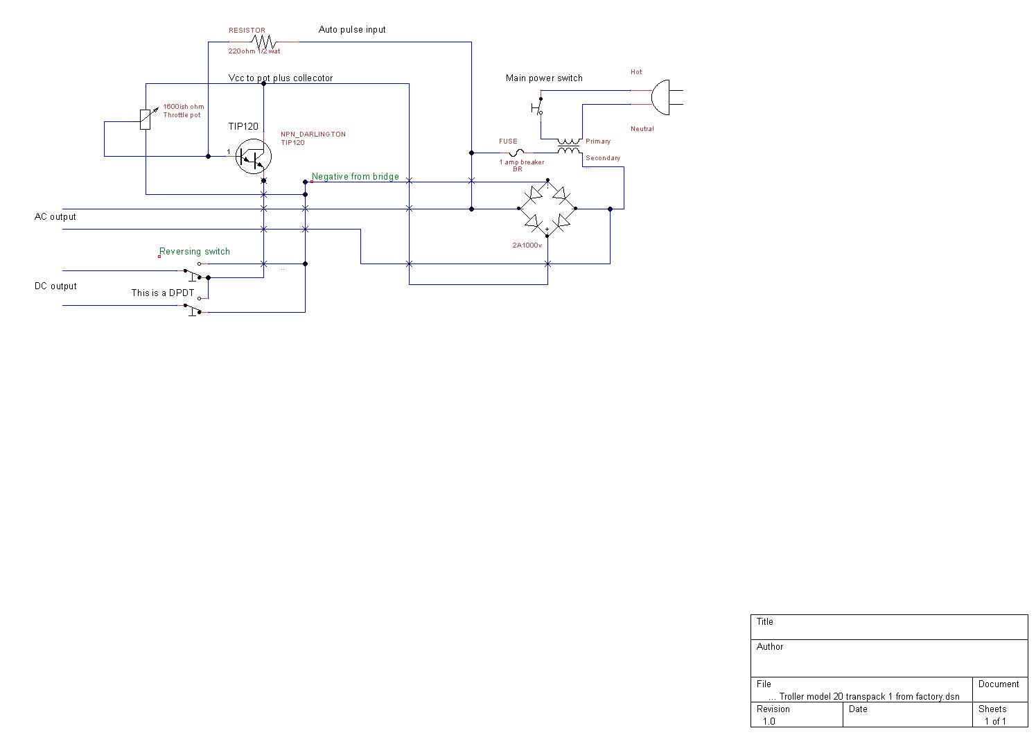
and now here is a pic of a transamp 1 cleaned up and separated inside, I made the wires long enough so components can be ‘pulled out’. I was copying troller and using solid 22awg wire, I think I will use stranded for now on. Note the biggest feature - the circuit board now mounted in the upper left of the pic was the one soldered to the terminals. that makes them IMPOSSIBLE to take apart, so use a hot gun/pencil and solder wick to remove it. we find that like the outside, the inside is ALSO 1/4 inch blade terminals which we can get female crimps for, anywhere…
Thank you very much, quaddriver!

